
HCC 4001
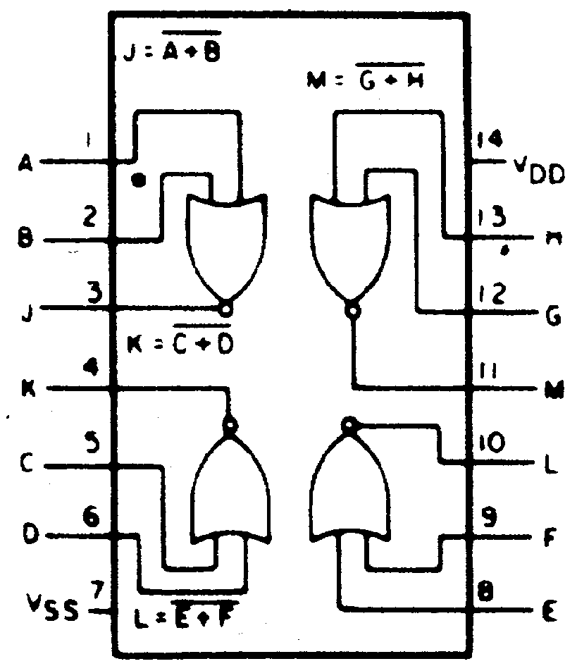
4001 Quad 2 input NOR gate
Courtesy/Thanks to:
Description: The HCC4000B, HCC4001B, HCC4002B and
HCC4025B (extended temperature range) and
HCF4000B, HCF4001B, HCF4002B and
HCF4025B (intermediate temperature range) are
monolithic integrated circuit, available in 14-lead
dual in line plastic or ceramic package and plastic
micropackage
The HCC4000B, HCC4001B, HCC4002B and
HCC4025B (extended temperature range) and
HCF4000B, HCF4001B, HCF4002B and
HCF4025B (intermediate temperature range) are
monolithic integrated circuit, available in 14-lead
dual in line plastic or ceramic package and plastic
Comments
You need to be logged in to add a comment.