Tag Clouds
pinconfiguration
All entities tagged pinconfiguration.
show all, products, links, files, companies/persons| 1n400x.JPG | |
| picture showing pinconfiguration of 1N4001, 4002, 4003, 4004, 4005, 4006, 4007 | |
| 2164-vca.jpg | |
| Simple schematic how how to build a VCA around a SSM2164 | |
| 2n5306.jpg | |
| Pinconfiguration for the TO92 2n5306 | |
| 2sa970.jpg | |
| Pinconfig of the 2SA970 | |
| 2sb324.jpg | |
| Pin out for the SB324 | |
| 2sk184.jpg | |
| Pinconfig of the 2SK184 | |
| 4001.gif | |
| Picture showing the signal flow and pinconfiguration of the 4001 | |
| 4002.jpg | |
| Pinconfiguration of the 4002 | |
| 4006_blockdiagram.jpg | |
| Block diagram for the HEF4006. | |
| 40106.jpg | |
| Pinoout for the 40106 | |
| 4013.gif | |
| Picture showing the signal flow and pinconfiguration of the 4013 | |
| 4016.jpg | |
| Block diagram and pin configuration for the 4016 | |
| 4049_inverter.bmp | |
| pinconfiguration of the 4049 logic IC | |
| 4051.gif | |
| Pinconfiguration for the 4051 Logic circuit | |
| 4066.pdf | |
| Pinconfiguration of the 4066 | |
| 4067.bmp | |
| Pinconfiguration of the 4067 | |
| 4081.gif | |
| Pinconfig and signal flow diagram of the 4081 | |
| 4093.jpg | |
| Pin configuration for the CD4093B. | |
| 4520_1.gif | |
| Pinconfiguration for the 4520 Logic circuit | |
| 6n137.jpg | |
| pinconfiguration, and schematics of the 6n137 | |
| 7413.txt | |
| Pinconfiguration and logical output of the 7413 | |
| 80-1.pdf | |
| Service Manual, assembly plan for the 80-1 Digisound Power Supply | |
| B11614_1.gif | |
| Blockdiagram and pinconfiguration of the CA3140 | |
| ba534.bmp | |
| BA534 Pinout | |
| bf256a.jpg | |
| Pinconfiguration of the BF256A | |
| CA8013_1.gif | |
| Typical aplications for the CA8013 | |
| capacitor_conversion.htm | |
| Capacitator value conversion table | |
| CD4049 | |
| Hex Inverting Buffer | |
| emmsynth.zip | |
| Articles, Schematics, Partslist, manual, PCB, yes everything you might need to build the E&MM Spectr | |
| h11f1pin.jpg | |
| Pin configuration for the H11F1. | |
| lf442_pin.jpg | |
| Pinconfiguration of the LF442 | |
| lm1036.jpg | |
| Pinconfiguration of the LM1036 | |
| LM1496.pdf | |
| Datasheet for the LM1596/lm1496 | |
| lm301conndiagram.jpg | |
| Connection diagram for the LM301 | |
| lm311.1.gif | |
| Pinconfiguration for the LM311 | |
| lm329_conndiagram.jpg | |
| Pinconfiguration for the LM329 | |
| lm358.jpg | |
| Pinconfiguration of the LM358 | |
| lm78lxx.jpg | |
| Connection diagram for the 78LXX series of voltage regulators. | |
| madmousepro-complete.pdf | |
| Assembly plan and Schematics and Documentation for the MadMouse pro | |
| mat_tempco.gif | |
| Schematics showing the configuration of the Matched Transistor pair and the tempco | |
| mat02_tempco.gif | |
| Pin schematics for the Tempco and matched transistor pair. | |
| max232.gif | |
| Pinconfiguration and block diagram for the MAX220, MAX222, MAX223, MAX225, MAX230, MAX231, MAX232, M | |
| mn3007.gif | |
| Pinconfiguration of the MN3007 | |
| msm6722.jpg | |
| Pinconfiguration and connection diagram for the MSM6722 | |
| ne556.gif | |
| Pinconfiguration NE556 | |
| nte458.gif | |
| Pinconfiguration of the NTE458 | |
| pesequen.zip | |
| The 1979 article from PES. Including all pictures in TIFF format, and the article text in a textfile | |
| pinout.gif | |
| No more info | |
| pwrout.col.gif | |
| Powerout connector pinconfiguration | |
| roland.TB-303.schem-2.gif | |
| Extract from the TB-303 Service manual with pin configuration for the various IC's used in the TB-30 | |
| roland.TR-606.schem-1.gif | |
| Schematics of the TR606 Page 1 of 6 (from machines.hyperreal.org) | |
| roland.TR-606.schem-2.gif | |
| Schematics of the TR606 Page 2 of 6 (from machines.hyperreal.org) | |
| sn74ls00.jpg | |
| Pin configuration for the SN54LS00 and SN74LS00 | |
| ssm2141block.gif | |
| Block diagram of the SSM2141 | |
| tda7050.bmp | |
| Schematics on how to connect the TDA7050 to make it a complete headphone amp. | |
| tl071.png | |
| Correct pinout for the TL071-opamp | |
| tl082.gif | |
| Picture showing pin configuration for the tl082 | |
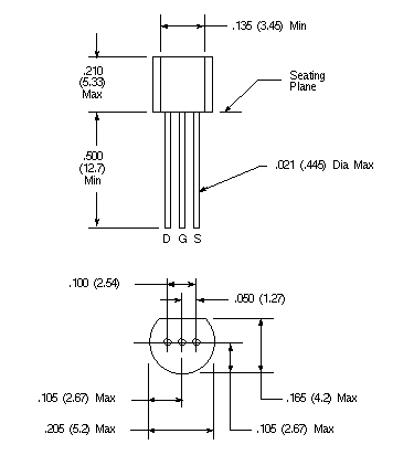
| to-992_drain_gate_source.jpg | |
| Pinout of the 2N3819, TO92 DGS | |
| TR-606_Schematics.pdf | |
| TR606 Schematics, PCB-layout and Pinconfiguration for some of the circuitry used. | |
| ua741.jpg | |
| Picture showing pinconfiguration of the UA741 | |
| varor_8.jpg | |
| Turn the transistor the right way | |
| varor_9.jpg | |
| The Thyristor Goof... | |
| xr2206.pdf | |
| Datasheet for the XR2206 | |